Cabeamento Estruturado é o termo utilizado para descrever a organização e distribuição dos cabos utilizados como meio de transmissão em redes de computadores e telefonia. O conceito desse sistema surgiu na década de 80 e permitiu a criação de uma infraestrutura de rede independente.

Neste guia, vamos explorar os principais conceitos e benefícios do Sistema de Cabeamento Estruturado, além de abordar as melhores práticas de Engenharia para elaboração de projetos, instalação e manutenção.

Check it out!

O que é Cabeamento Estruturado?

O Cabeamento estruturado é um sistema padronizado de infraestrutura física para redes de telecomunicações, projetado para suportar múltiplas aplicações, como dados, voz, vídeo e automação predial, de forma integrada, modular e escalável.

Imagem de um rack de rede com cabeamento estruturado, mostrando várias fileiras de cabos de rede organizados horizontalmente em painéis de conexão. Os cabos estão agrupados por cores, como vermelho, azul e amarelo, indicando diferentes funções ou redes dentro do sistema. A organização dos cabos reflete uma instalação profissional e bem planejada, ideal para ambientes corporativos e comerciais onde a performance e a flexibilidade da rede são essenciais.
Figura 1 – Rack de Cabeamento Estruturado.
Acervo A3A Engenharia de Sistemas.

Historicamente, as instalações de redes eram compostas por sistemas proprietários e cabeamento específico por aplicação, onde cada serviço utilizava sua própria infraestrutura de cabos, conectores e topologias, frequentemente sem qualquer padronização.

Esse cenário resultava em ambientes fragmentados, com altos custos de manutenção e limitação à interoperabilidade entre diferentes fabricantes e tecnologias.

A evolução para o cabeamento estruturado surge da necessidade de uma padronização abrangente, capaz de suportar o aumento de “velocidade” das redes e a convergência de serviços.

A trajetória da Ethernet é uma das mais marcantes na história das redes de computadores. De sua origem sobre cabos coaxiais rígidos, passando pela adoção do par trançado (UTP) e pela revolução do 10BASE-T, até alcançar velocidades da ordem de gigabits por segundo, cada marco foi resultado de intensos debates, avanços tecnológicos e padronizações cruciais.

Se você quer entender como as redes locais evoluíram de instalações proprietárias e complexas para uma infraestrutura padronizada, escalável e interoperável, vale conferir nosso artigo técnico que aborda em detalhes a história da Ethernet — incluindo as disputas técnicas, os desafios de implementação e o impacto da padronização no cabeamento estruturado moderno.

Confira → A História da Ethernet

Como funciona um Sistema de Cabeamento Estruturado?

O Sistema de Cabeamento Estruturado é baseado em uma arquitetura hierárquica composta por subsistemas.

A concepção desse sistema é baseada em um conjunto de Normas Técnicas que orientam o planejamento e estabelecem padrões para a seleção dos meios físicos, métodos de instalação, identificação, testes e documentação.

As Normas Técnicas de Cabeamento Estruturado são fundamentais para a padronização e garantia da qualidade da Infraestrutura de Cabeamento Estruturado.

São estabelecidas nacionalmente pela ABNT (Associação Brasileira de Normas Técnicas) e internacionalmente por organizações como a ISO (International Organization for Standardization) e a TIA (Telecommunications Industry Association).

As principais normas que regulamentam o cabeamento estruturado são:

  • ISO/IEC 11801 – Generic Cabling for Customer Premises;
  • ANSI/TIA 568 – Generic Telecommunications Cabling for Customer Premises
  • ABNT NBR 14545 – Cabeamento Estruturado para Edifícios Comerciais

Neste artigo utilizamos como referência a norma nacional, mas recomendamos que você também conheça as diferenças entre as principais normas técnicas de cabeamento estruturado.

Subsistemas do Cabeamento Estruturado

As normas técnicas estabelecem os elementos funcionais que compõem o Cabeamento Estruturado.

De acordo com a NBR 14565, os elementos funcionais de um Sistema de Cabeamento Estruturado são:

  1. Distribuidor de Campus (CD);
  2. Backbone de Campus;
  3. Distribuidor de Edifício (BD);
  4. Backbone de Edifício;
  5. Distribuidor de Piso (FD);
  6. Cabeamento Horizontal;
  7. Ponto de Consolidação (CP);
  8. Cabo do Ponto de Consolidação (cabo do CP);
  9. Tomada de Telecomunicações Multiusuário (MUTO);
  10. Tomada de Telecomunicações (TO);
  11. Equipamento Terminal (TE).

Os Subsistemas do Cabeamento Estruturado são interconectados para formar um sistema de cabeamento, como a figura ilustrada na Figura 1.

Os três subsistemas de Cabeamento Estruturado definidos pela norma NBR 14565:2019 são:

  1. Backbone de Campus;
  2. Backbone de Edifício;
  3. Cabeamento Horizontal;

Backbone de Campus

O Subsistema de Backbone de Campus estende-se do distribuidor de campus (CD) até os distribuidores de edifício (BD).

É a infraestrutura de cabeamento que faz a interconexão entre os edifícios dentro de um campus ou unidade industrial.

Backbone de Edifício

O Subsistema de Backbone de Edifício estende-se desde o(s) distribuidor(es) de edifício (BD) até o(s) distribuidor(es) de piso (FD).

É a infraestrutura de cabeamento que faz a interconexão entre os diferentes andares e setores dentro de um único edifício.

Cabeamento Horizontal

O Subsistema de Cabeamento Horizontal estende-se desde o(s) distribuidor(es) de piso (FD) até a(s) tomada(s) de telecomunicações (TO/MUTO) conectada(s) a ele.

É a infraestrutura de cabeamento que faz a interconexão entre os racks de borda e os pontos de rede do usuário.

Conheça os Subsistemas Fundamentais de um Sistema de Cabeamento Estruturado. Clique e Saiba Mais.

Interligação e Hierarquia dos Subsistemas

A quantidade e o tipo de subsistemas que fazem parte do cabeamento dependem da distribuição e extensão do campus ou edifício. Recomenda-se que seja implementado um único distribuidor de campus para cada campus, um distribuidor de edifício para cada edifício e pelo menos um distribuidor de piso para cada piso.

Os distribuidores oferecem os meios de configurar o cabeamento para suportar diferentes topologias, como estrela e anel.

Estrutura Hierárquica

A ABNT NBR 14565 estabelece uma arquitetura hierárquica básica, também conhecida como arquitetura de rede distribuída (Distributed Network Architecture – DNA).

Nessa configuração, os subsistemas são organizados e interligados de forma sequencial, adotando uma topologia em estrela conforme ilustrado na Figura 3.

Diagrama de um sistema de cabeamento estruturado, mostrando a interconexão entre diferentes subsistemas. No topo, o distribuidor de campus (CD) conecta-se aos distribuidores de prédio (BD) por meio do backbone de campus. Cada distribuidor de prédio conecta-se aos distribuidores de piso (FD) por meio do backbone de edifício. Abaixo dos distribuidores de piso, o cabeamento horizontal conecta-se aos pontos de consolidação (CP) e às tomadas da área de trabalho (TO). O diagrama inclui uma legenda que explica as siglas usadas para cada componente do sistema.
Figura 3 – Estrutura Hierárquica do Cabeamento
Diagrama extraído e adaptado da seção 6.4 da norma NBR 14565.

Se a área de piso for pouco ocupada (por exemplo, um saguão), permite-se servir este piso por meio de um distribuidor localizado em um piso adjacente. O mesmo espaço físico pode conter diferentes subsistemas de cabeamento.

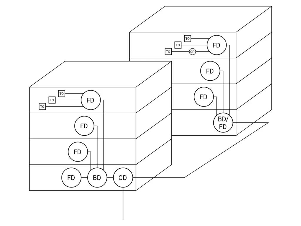
A Figura 4 mostra um exemplo de cabeamento onde, no edifício A, cada distribuidor está localizado separadamente e, no edifício B, as funções de distribuidor de piso e distribuidor de edifício foram combinadas no mesmo espaço físico.

Figura 4 – Exemplo de um cabeamento com distribuidor de edifício e de piso combinados.
Diagrama extraído e adaptado da NBR 14565.

Em certas circusntâncias, por razões de segurança e confiabilidade, redundâncias podem ser consideradas no projeto do cabeamento.

A figura 5 apresenta um exemplo de conexão de elementos funcionais para oferecer proteção contra falhas em uma ou mais partes da infraestrutura de cabeamento. Esta pode ser a forma básica para um projeto de cabeamento oferecer alguma proteção contra danos causados por fogo ou falhas nos cabos das redes púbica ou interna.

Figura 5 – Inter-relação dos elementos funcionais em uma instalaçao com redundância.
Diagrama extraído e adatado da NBR 14565.

Arquitetura do Cabeamento Óptico Centralizado

O Cabeamento Óptico Centralizado consiste em uma solução de distribuição que integra os segmentos de backbone e cabeamento horizontal em uma mesma infraestrutura, utilizando elementos passivos para interligação e permitindo a eliminação de distribuidores de piso.

Nesta configuração, as fibras ópticas partem diretamente do distribuidor central, onde se realiza a terminação e interconexão com os equipamentos ativos de rede até às áreas de trabalho. A conexão é obtida por meio de pull-through cables, fusões de fibra óptica (splices) ou interconexões passivas, reduzindo a necessidade de pontos intermediários de comutação.

Esta abordagem é projetada para otimizar custos de implantação e operação, simplificar a gestão da infraestrutura e prover maior flexibilidade na administração da rede. Quando corretamente especificada em projeto, pode minimizar a necessidade de manutenção em múltiplos pontos, centralizando o gerenciamento e melhorando a acessibilidade aos enlaces.

As conexões no distribuidor central podem ser realizadas através de interconexões diretas ou conexões cruzadas (cross-connects).

A definição da arquitetura e topologia do sistema de cabeamento estruturado deve ser realizada na fase de projeto, considerando o layout físico, distâncias máximas permitidas, necessidades de desempenho e requisitos de redundância.

Para entender todos os critérios e boas práticas, confira nosso artigo técnico sobre Arquitetura e Topologia de um Sistema de Cabeamento Estruturado.

Veja também:

Interfaces

As interfaces representam os pontos de transição entre o sistema de cabeamento e elementos ativos.

Interfaces de Equipamentos

As interfaces de equipamento para cabeamento são localizadas nas extermidades de cada subsistema.

Os distribuidores podem disponibilizar interface de equipamento para um serviço externo em qualquer porta, podendo empregar dois métodos de conexão reconhecidos em norma:

  • Interconexão, conforme ilustrado na Figura 7;
  • Conexão Cruzada (Cross-Connect), conforme ilustrado na Figura 8.

O ponto de consolidação (Consolidation Point), quando presente, não constitui interface de equipamento para o sistema de cabeamento genérico.

Interconexão

Na interconexão, o cabo fixo (horizontal ou backbone) é terminado em um patch panel ou distribuidor óptico, com a terminação feita de maneira fixa pela parte traseira.

Do outro lado, temos o equipamento ativo, geralmente um switch. A ligação entre o patch panel e o equipamento ativo é realizada por um patch cord, seja para cabos de par trançado ou fibra óptica.

Este método é direto e simplificado, proporcionando uma conexão eficiente entre o patch panel e o equipamento ativo.

Figura 7 – Modelo de Interconexão
Diagrama extraído e adaptado da seção 6.6.1 da NBR 14565:2019
Conexão Cruzada (Cross-Connect)

A conexão cruzada, por outro lado, envolve mais componentes e oferece maior flexibilidade.

O cabeamento horizontal ou backbone é terminado em um patch panel, e o equipamento ativo é espelhado até outro patch panel por meio de cordões de equipamento.

Esses cordões conectam todas as portas do switch e são conectorizados pela parte traseira no patch panel de espelhamento.

Assim, temos um patch panel que espelha as portas do ativo e outro patch panel que termina o cabeamento fixo, conectados por patch cords.

Tal configuração aumenta a flexibilidade para manobras, remanejamentos e reorganização de serviços, sendo especialmente aplicável em ambientes críticos como Data Centers e salas de telecomunicações de grande porte.

Figura x – Modelo de Conexão Cruzada.
Diagrama extraído e adaptado da seção 6.6.1 da NBR 14565.

Interfaces de Ensaio

As interfaces de ensaio definem os pontos de referência utilizados para a medição e certificação do desempenho de um sistema de cabeamento estruturado.

São estabelecidas segundo critérios normativos, de forma a padronizar o procedimento de teste e garantir que os resultados reflitam o desempenho real da infraestrutura instalada.

Canal (Channel)

O canal é o caminho de transmissão entre o equipamento ativo de rede e o equipamento e consiste em um subsistema horizontal com uma área de trabalho e os patch cords dos equipamentos. O desempenho do canal exclui as conexões dos equipamentos de aplicação específica.

O enlace permanente consiste na tomada de telecomunicações, no cabo horizontal, em um ponto de consolidação opcional e na terminação do cabo horizontal no distribuidor de piso. O enlace permanente inclui as conexoes das extremidades do cabo instalado.

Interface de Rede Externa

A interface de rede externa é o ponto de conexão entre o sistema de cabeamento estruturado e uma rede externa, que pode ser:

  • Rede privada corporativa, como WANs dedicadas, MANs ou interconexões entre unidades operacionais.
  • Rede pública de telecomunicações, como acesso à internet;

Espaços de Telecomunicações

Os locais onde os distribuidores podem ser colocados são denominados espaços de telecomunicações.

Os Espaços de Telecomunicações são áreas físicas dentro de uma infraestrutura de TI, projetadas especificamente para acomodar e organizar os componentes do Sistema de Cabeamento Estruturado.

Esses espaços são essenciais para o funcionamento eficiente e a manutenção de uma rede, pois permitem que os cabos, equipamentos e conexões sejam dispostos de maneira lógica, acessível e segura.

Infraestrutura de Entrada / Entrance Facility

A Infraestrutura de Entrada (EF) é o ponto de convergência onde os cabos de backbone, tanto do campus quanto do edifício, encontram-se com os circuitos dos provedores de serviços externos.

O objetivo desse espaço é garantir o acesso à conectividade externa e aos serviços de telecomunicações necessários para as operações da organização.

Isso inclui a conexão com a Internet, serviços de voz, vídeo e outras aplicações de comunicação. Portanto, é crucial que o cabeamento de entrada seja projetado e implementado de forma adequada, levando em consideração as especificações técnicas e as normas aplicáveis.

Em determinados cenários, a Sala de Entrada de Telecomunicações pode ser combinada com a Sala de Equipamentos, caso a necessidade operacional justifique tal integração.

Este espaço deve ser dedicado exclusivamente às instalações relacionadas à Infraestrutura de Rede e seus sistemas de suporte. Equipamentos não relacionados ao suporte de telecomunicações (por exemplo: canalização de água, gás, esgoto, dutos em geral etc.) não podem ser instalados, passar ou entrar no espaço de entrada.

Sala de Equipamentos / Equipment Room

Sala de Equipamentos é o espaço que hospeda a infraestrutura crítica de TI e telecomunicações. O projeto e a implementação dessa sala são fundamentais para assegurar a integridade e a alta disponibilidade dos serviços críticos.

É imprescindível que o planejamento do acesso para a instalação de equipamentos robustos seja considerado desde a concepção do projeto.

Fotografia de uma Sala de Equipamentos (SEQ) mostrando dois racks preenchidos com equipamentos de TI e telecomunicações. Os cabos estão organizados em uma estrutura de gerenciamento, garantindo uma disposição ordenada e funcional. A sala possui um teto com placas removíveis e trilhos para cabos no teto, destacando a importância do planejamento para a ventilação adequada e a facilidade de manutenção. A imagem enfatiza a necessidade de um design cuidadoso para assegurar a integridade e a alta disponibilidade dos serviços críticos hospedados nesta infraestrutura.
DATA CENTER
ACERVO TÉCNICO: A3A ENGENHARIA DE SISTEMAS

A organização interna dessa sala é crucial. Os racks devem ser dispostos de maneira a otimizar a circulação do ar e simplificar a manutenção.

O gerenciamento eficaz dos cabos é fundamental para manter a ordem, reduzir interferências e permitir expansões ou alterações na infraestrutura com facilidade.

Em edifícios de múltiplos andares, recomenda-se que a sala esteja localizada em um andar intermediário para facilitar o acesso do cabeamento às salas de telecomunicações em outros andares.

Armário de Telecomunicações / Telecommunications Room

O Armário de Telecomunicações é o espaço designado para atuar como ponto de distribuição e conexão dos cabos de rede provenientes dos diversos setores do edifício.

Rack de telecomunicações montado em um armário vertical de cor preta, com portas de vidro, exibindo organização de cabos de rede com patch panels e guias de cabos horizontais. O armário está localizado em uma sala, com ventilação adequada, e serve como ponto de distribuição dos cabos de rede que conectam diferentes setores do edifício.
RACK DE BORDA
ACERVO: A3A ENGENHARIA DE SISTEMAS

Esse espaço reservado pode variar de um rack a uma sala inteiramente dedicada a essa função, dependendo do tamanho e das necessidades da infraestrutura em questão.

Sua localização estratégica é determinada para minimizar o comprimento do cabeamento e para possibilitar uma distribuição eficiente dos cabos, fatores fundamentais para assegurar a performance da rede.

A TR é geralmente localizada em cada andar do edifício ou em pontos estratégicos intermediários. Ela permite a interconexão entre o Cabeamento Vertical (Backbone) e o Cabeamento Horizontal.

O projeto da sala de telecomunicações deve considerar um sistema de ventilação e/ou climatização conforme descritos nas normas, com o objetivo de evitar o sobreaquecimento dos equipamentos ativos instalados.

Área de Trabalho / Work Area

A Área de Trabalho é o ponto de interconexão entre os dispositivos terminais e o sistema de cabeamento horizontal.

Este espaço é onde os usuários executam suas tarefas cotidianas, utilizando equipamentos como computadorestelefones IP e impressoras.

Na Área de Trabalho, são utilizadas tomadas de telecomunicações como ponto de término para os cabos provenientes do cabeamento horizontal. Essas tomadas são conectadas aos equipamentos por meio de patch cords.

Tomadas de telecomunicações instaladas em uma canaleta horizontal ao longo da parede de uma área de trabalho, com conectores de rede e tomadas elétricas identificadas em branco e vermelho. Essas tomadas servem como pontos de término para cabos do sistema de cabeamento horizontal, permitindo a conexão de dispositivos como computadores e telefones. A canaleta é fixada acima de uma mesa de madeira, garantindo acesso fácil e organizado às conexões necessárias para a execução das tarefas diárias.

Para garantir uma conectividade eficiente, é imprescindível um planejamento cuidadoso do número de tomadas de telecomunicações (pontos de rede).

Este planejamento deve levar em consideração tanto a metragem quadrada das instalações quanto a quantidade de dispositivos que necessitarão de conexão, assegurando assim que as demandas de conectividade sejam plenamente atendidas.

Além disso, as normas estipulam limites máximos para a distância entre as tomadas de telecomunicações e as estações de trabalho, com o objetivo de assegurar que os patch cords não excedam o comprimento máximo de 5 metros.

Caminhos do Cabeamento Estruturado

Os Caminhos do Cabeamento Estruturado são essenciais para proteger, organizar e facilitar a manutenção da infraestrutura de telecomunicações.

Caminhos Internos

Os caminhos de cabos dentro de edificios podem ser implementados para atendar a ambos os subsistemas de cabeamento horizontal e de backbone e podem ser compostos por subdutos.

Por motivos de segurança da instalação, os caminhos de cabos quando implementados com materiais elétricos, devem ser aterrados e atender aos requisitos de aterramento e equipotencialização da infraestrutura de rede.

Os caminhos de cabos devem ser projetados conforme os requisitos do cabeamento a ser instalado. A quantidade e as dimensões dos cabos, seus raios mínimos de curvatura, bem como previsão para expansão futura devem ser considerados para o dimensionamento do caminho. Os caminhos de cabos devem ser iinstalados em locais secos, não sujeitos à inundação, e devem oferecer proteção mecânica aos cabos; poços de elevadores e caixas de escadas não podem ser utilizados para este fim.

O cabeamento deve ser instalado em compartimentos (eletrodutos, eletrocalhas, etc.) dedicados a este e não pode utilizar a mesma infraestrutura de distribuição que os cabos elétricos. Em situações em que o cabeamento estruturado compartilha o mesmo shaft dentro do edifício com os cabos elétricos, isso deve ser feito em conformidade com as normas técnicas aplicáveis.

Para ajudar a minimizar os efeitos de interferência eletromagnética entre o cabeamento estruturado e o cabeamento elétrico, recomenda-se a separação dos caminhos utilizados, o uso de barreiras na infraestrutura de distribuição e a separação dentro de caixas nas quais sejam terminados ambos os sistemas de cabeamento. A separação deve ser mantida ao longo de todo o caminho.

Caminhos Externos

Os caminhos externos (de campus) consistem em caminhos subterrâneos e aéreos. O caminho de entrada deve ser projetado para suportar no mínimo todos os meios físicos reconhecidos pelas normas técnicas.

Caminhos adequados de entrada, capazes de oferecer acesso aos provedores de serviço local, devem ser previstos em um ambiente de campus. Onde vários provedores de serviços necessitam acesso a um edifício ou campus, um caminho deve ser provido pelo proprietário do edifício.

Componentes do Sistema de Cabeamento Estruturado

O sistema de cabeamento estruturado é composto por um conjunto de elementos padronizados, projetados para assegurar a interligação física e lógica entre os diversos pontos da rede, conforme requisitos de desempenho e normas técnicas aplicáveis. Estes componentes devem ser selecionados, especificados e instalados de forma a garantir a conformidade com os padrões de transmissão, a flexibilidade de operação e a possibilidade de expansão futura.

Cabos de Rede

Os cabos constituem o meio físico principal para a transmissão de sinais, podendo ser de par trançado metálico, fibra óptica ou outras tecnologias reconhecidas pelas normas vigentes. São utilizados tanto para a distribuição horizontal quanto para os enlaces de backbone, devendo atender às categorias e classificações de desempenho exigidas no projeto.

Conectores

Os conectores estabelecem a interface física entre os cabos e os dispositivos de rede, permitindo terminação segura, repetível e de baixo índice de perda. Devem ser compatíveis com o tipo de cabo e categoria especificada, observando padrões de pinagem e certificações.

Cordões de Manobra e Jumpers

Cordões de manobra (patch cords) e jumpers realizam a interligação entre os pontos de terminação e os equipamentos ativos ou passivos, garantindo mobilidade e flexibilidade nas alterações de configuração. Devem ser fabricados e testados segundo a mesma categoria ou superior ao cabeamento permanente.

Hardwares de Conexão

Englobam patch panels, blocos de conexão e distribuidores ópticos ou metálicos, responsáveis pela terminação organizada e acessível dos cabos. Permitem manobras e reorganizações de forma controlada, mantendo a integridade do enlace permanente.

Gabinetes, Quadros e Racks

Servem como estrutura de suporte e organização para equipamentos ativos, passivos e cabos, assegurando acessibilidade, ventilação adequada, proteção mecânica e, quando necessário, controle de acesso físico.

Acessórios de Montagem

Incluem elementos complementares como guias de cabos, bandejas, calhas, dutos, organizadores e dispositivos de proteção mecânica, destinados a manter o arranjo físico ordenado, cumprir requisitos de raio de curvatura e facilitar a manutenção.

Como é feita a Implementação de um Sistema de Cabeamento Estruturado?

A implementação de um Sistema de Cabeamento Estruturado deve seguir um processo sequencial e controlado, assegurando conformidade com normas técnicas aplicáveis, bem como com requisitos funcionais e operacionais do cliente.

A implementação de um Sistema de Cabeamento Estruturado requer um planejamento criterioso e conhecimentos técnicos especializados. Como qualquer implantação de sistema a primeira coisa a se fazer é a elaboração de um projeto.

Projeto de Cabeamento Estruturado

A fase de projeto consiste na definição técnica e formal de toda a infraestrutura de cabeamento, contemplando layout físico, topologia, níveis hierárquicos, categorias de desempenho, requisitos de redundância e compatibilidade com sistemas ativos. Envolve levantamento de requisitos, análise de normas, elaboração de plantas e diagramas, memoriais descritivos, memoriais de cálculo e especificações de materiais e métodos de instalação.

Embora represente um investimento inicial, contar com um projeto especializado faz toda a diferença. Uma equipe técnica experiente consegue não apenas planejar uma infraestrutura adequada, mas também auxiliar na escolha correta de materiais, muitas vezes conseguindo reduzir custos totais por meio de especificações mais precisas e negociações eficientes com fornecedores.

Um planejamento eficiente minimiza a necessidade de manutenções frequentes, reduz o tempo de inatividade da rede e evita retrabalho, proporcionando uma economia substancial a longo prazo.

Instalação de Cabeamento Estruturado

A instalação deve ser realizada por profissionais qualificados, que tenham o expertise necessário para aplicar as melhores práticas e garantir uma implementação eficiente e livre de falhas.

A etapa de implantação do projeto envolve a instalação física da infraestrutura de cabeamento. Isso inclui a passagem dos cabos de rede pelos conduítes, a conexão dos cabos aos patch panels, a identificação adequada de cada ponto de rede e a realização de testes para garantir a funcionalidade e o desempenho esperados.

Durante a implantação, é fundamental seguir as normas e boas práticas de cabeamento estruturado, garantindo uma instalação organizada, com comprimentos adequados de cabos, proteção contra interferências e de acordo com as especificações dos fabricantes.

Uma vez concluída a implantação, é realizado um processo de certificação da rede, por meio de testes que verificam a conformidade com os padrões de cabeamento e as especificações técnicas. Isso garante que a infraestrutura esteja corretamente instalada e funcione de acordo com as expectativas.

Certificação de Cabeamento de Rede

Após a implantação do cabeamento estruturado, devem ser realizados testes de certificação para avaliar o desempenho dos cabos de rede e garantir a conformidade com os padrões estabelecidos.

O objetivo é comprovar que a infraestrutura atende aos parâmetros elétricos, ópticos e de transmissão exigidos pelas normas, garantindo a capacidade de suportar as aplicações previstas.

Documentação

A documentação é uma etapa essencial em todo o processo de planejamento e projeto de cabeamento estruturado. Ela compreende o registro de todas as informações relevantes, desde os requisitos da rede até os detalhes da implementação e configuração da infraestrutura.

A documentação deve incluir o As-built, registros de testes de certificação, manuais dos equipamentos utilizados, informações de configuração e qualquer outra informação relevante para a administração e manutenção da rede.

Administração

A administração do sistema envolve o gerenciamento contínuo da infraestrutura, contemplando identificação padronizada, registro de alterações, controle de manobras e atualização periódica da documentação. Essa prática assegura que o sistema mantenha desempenho e confiabilidade ao longo de seu ciclo de vida, reduzindo custos operacionais e riscos de indisponibilidade.

Rack de cabeamento estruturado em detalhe com cabos de rede azuis organizados, identificados com etiquetas, em infraestrutura de TI profissional.
Detalhe: Rack de Cabeamento Estruturado
Acervo A3A Engenharia de Sistemas.

Principais Benefícios do Cabeamento Estruturado

O Cabeamento Estruturado oferece diversos benefícios, incluindo maior flexibilidade e escalabilidade, já que o sistema pode ser facilmente expandido ou alterado para acomodar mudanças na rede. Além disso, a padronização reduz os custos de manutenção e aumenta a confiabilidade da rede, pois a solução é planejada e executada de forma consistente.

Confira a seguir os principais benefícios:

  1. Flexibilidade: Com uma infraestrutura de cabeamento adequada, é possível realizar alterações e expansões sem a necessidade de grandes intervenções. Essa flexibilidade é crucial, considerando que, em média, cerca de 25% dos colaboradores de uma empresa são realocados ou passam por mudanças em suas funções dentro de um período de um ano.
  2. Confiabilidade: Um Sistema de Cabeamento Estruturado bem planejado possibilita a instalação de uma rede de alta qualidade, que é menos suscetível a interferências eletromagnéticas e outras formas de interferência. Isso significa que a rede pode oferecer uma conexão confiável e de alta velocidade.
  3. Redução de custos: Com o cabeamento estruturado, a manutenção e a solução de problemas são mais fáceis e rápidas, reduzindo os custos de reparo e manutenção a longo prazo.
  4. Melhor gerenciamento de cabos: Um Sistema de Cabeamento Estruturado ajuda a organizar e gerenciar melhor os cabos, reduzindo a confusão e o emaranhamento dos fios. Isso facilita a manutenção e a solução de problemas, além de melhorar a aparência e a segurança da rede.
  5. Maior velocidade de transferência de dados: Com um Sistema de Cabeamento Estruturado a rede torna-se capaz de suportar velocidades de transferência de dados mais rápidas do que as redes convencionais.
  6. Maior segurança: Um Projeto de Cabeamento Estruturado bem executado torna a rede segura e confiável, o que é essencial para empresas que lidam com informações confidenciais e sensíveis.

Conclusão

Em resumo, o cabeamento estruturado é um sistema essencial para a organização, eficiência e escalabilidade das redes corporativas e industriais. Com ele, é possível garantir desempenho, padronização e facilidade de manutenção, seguindo normas técnicas nacionais e internacionais.

Considerações Finais

Este artigo tem a finalidade de esclarecer e orientar sobre o sistema de cabeamento estruturado. Entretanto, cada projeto possui particularidades que exigem análise técnica detalhada. Para implantar uma rede eficiente e segura, sempre procure profissionais especializados. Se precisar de apoio técnico ou um projeto personalizado, fale com a equipe da A3A Engenharia.

Referências Normativas

NBR 14565 – Cabeamento Estruturado para Edifícios Comerciais” – ABNT (Associação Brasileira de Normas Técnicas)

ISO/IEC 11801 – Generic Cabling for Customer Premises“- ISO/IEC (International Organization for Standardization) & (International Electrotechnical Comission)

“”ANSI/TIA 568 – Generic Telecommunications Cabling for Customer Premises” – ANSI/TIA (American National Standards Institute) & (Telecommunications Industry Association)

Quais os serviços de cabeamento estruturado e respectivos RTs?” – CREA (Conselho Regional de Engenharia e Agronomia)

Structured Cabling Systems: the Fact File” – CommScope

Perguntas Frequentes
O que é o sistema de cabeamento estruturado?

O Sistema de Cabeamento Estruturado (SCE) é uma infraestrutura padronizada de cabos, conectores, racks, leitos de cabos, painéis de conexão e ativos de rede que fornecem a base para uma rede de telecomunicações funcionar de maneira otimizada.

Como funciona o sistema de cabeamento?

Um Sistema de Cabeamento Estruturado funciona por meio da instalação de diversos componentes de rede, incluindo cabos, ativos de rede, painéis de conexão e outros dispositivos, seguindo padrões e normas técnicas.

O que é uma estrutura de cabeamento?

Estrutura de cabeamento é um sistema genérico, organizado em subsistemas interligados, composto por cabos, conectores e dispositivos, projetado para suportar múltiplos serviços como voz, dados, vídeo e automação predial, de forma padronizada, flexível e independente de aplicações específicas, possibilitando modificações e ampliações sem grandes intervenções na infraestrutura física.

Para que serve o cabeamento estruturado?

O sistema de cabeamento estruturado é projetado para atender às necessidades de conectividade em ambientes corporativos, comerciais, industriais e residenciais, proporcionando uma rede confiável e de alto desempenho.

Quais são os tipos de cabeamento?

Os mais comuns são cabo UTP (par trançado não blindado), cabo STP (par trançado blindado), cabo coaxial e fibra óptica. Cada um tem aplicações e capacidades diferentes de transmissão.

Qual a diferença entre cabos UTP e cabos STP?

UTP (Unshielded Twisted Pair) não possui blindagem. É mais barato e usado em ambientes com baixo nível de interferências. Já o STP (Shielded Twisted Pair) possui blindagem que reduz interferências eletromagnéticas, sendo indicado para ambientes industriais ou com alta poluição eletromagnética.

Quais são as normas de cabeamento estruturado?

As principais normas são a ABNT NBR 14565 (Brasil), ISO/IEC 11801 (internacional), ANSI/TIA-568 (América do Norte) e NBR 16264 para Data Centers. Elas definem regras de instalação, desempenho e testes.

Qual a diferença entre cabeamento horizontal e vertical?

O cabeamento horizontal conecta as tomadas de telecomunicações às salas de distribuição no mesmo andar, enquanto o cabeamento vertical, ou backbone, interliga diferentes andares ou edifícios, transportando dados entre os distribuidores principais e de piso.

O que é o backbone de um cabeamento estruturado?

É o cabeamento principal que conecta salas de telecomunicação, data centers ou prédios entre si. Normalmente utiliza cabos de maior capacidade, como fibras ópticas ou cabos de cobre de categoria superior.

Quem trabalha com cabeamento estruturado?

Engenheiros eletricistas, engenheiros de redes, técnicos em telecomunicações, projetistas de infraestrutura de redes e empresas especializadas em projetos e implantação de redes corporativas.

Links Relevantes (Materiais Técnicos complementares)

eBook – Por que contratar um Projeto de Cabeamento Estruturado?

Normas Técnicas de Cabeamento Estruturado

Subsistemas de Cabeamento Estruturado

Certificação de Rede para Sistemas de Cabeamento Estruturado

Consultoria em Projetos de Cabeamento Estruturado

Instalação de Cabeamento Estruturado

Como evitar problemas comuns em Sistemas de Cabeamento Estruturado?

Componentes do Cabeamento Estruturado

Principais benefícios do Cabeamento Estruturado

Cabeamento de Rede em CAT5e vs CAT6

Cabeamento de Rede em CAT6 vs CAT6A